一、產品說明
本過濾器本過濾器安裝在油泵吸油口處,用以保護油泵及其它液壓元件,以避免吸入污染雜質,有效地控制液壓系統污染,提高液壓系統的清潔度。
本過濾器可直接安裝在油箱側邊、上部或底部,吸油筒體浸入油箱內液面以下,過濾器濾頭露在油箱外,并設有自封閥、旁通閥、濾芯污染堵塞發訊器等裝置,使更換濾芯和清洗濾芯時油箱內油液不會流出,本產品設計新穎,安裝方便,通油能力大,阻力小,清洗或更換濾芯方便等優點。
工作壓力:最高壓力1.6MPa
工作溫度:-25℃~120℃
發訊器發訊壓力:-0.02MPa
殼體材料:鑄鋁
工作介質:礦物油、乳化液、水-乙二醇、磷酸酯液壓液


二、性能特點
1、安裝連接方便,簡化系統管路
本過濾器可直接安裝在油箱側邊、底形或上部,過濾器濾頭露在油箱外,吸油筒體浸入油箱內液面以下,出油口設有管式、法蘭式連接,過濾器內設置自封閥裝置,使管路省去裝截止閥等其它管件,從而使管路簡化,安裝方便。
2.、設置自封閥,使更換、清洗濾芯或維修系統非常方便
當更換、清洗濾芯或維修系統時,只需旋開過濾器端蓋(清洗蓋),此時自封閥會自動關閉,隔絕油箱油路,使油箱內油液不會向外流出,從而使清洗、更換濾芯或維修系統非常方便,如頂開自封閥又可作油箱向外放油之用。
3.具有濾芯污染發訊器與油路旁通閥,提高了液壓系統的可靠性
當濾芯被污染物堵塞到出油口真空度為0.018MPa時,發訊器便發出訊號,應及時更換或清洗濾芯。若此時不能馬上停機或無人來更換濾芯時,在濾芯上部的油路旁通閥會自動開啟(開啟值為: 真空0.02MPa),以避免油泵出現吸空故障。但此時應停機更換或清洗濾芯,以保持液壓系統清潔度,提高液壓系統的可靠性。
三、型號說明

|
型號 |
公稱流量 |
過濾精度 |
通徑(mm) |
壓力損失(MPa) |
發訊裝置 |
連接方式 |
濾芯型號 |
|
|
(V) |
(A) |
|||||||
|
TF-25×*L- |
25 |
80
100
180 |
15 |
<0.01 |
12 24 36 220 |
2.5 2 1.5 0.25 |
螺紋 |
TFX-25×* |
|
TF-40×*L- |
40 |
20 |
TFX-40×* |
|||||
|
TF-63×*L- |
63 |
25 |
TFX-63×* |
|||||
|
TF-100×*L- |
100 |
32 |
TFX-100×* |
|||||
|
TF-160×*L- |
160 |
40 |
TFX-160×* |
|||||
|
TF-250×*L- |
250 |
50 |
法蘭 |
TFX-250×* |
||||
|
TF-400×*L- |
400 |
65 |
TFX-400×* |
|||||
|
TF-630×*L- |
630 |
90 |
TFX-630×* |
|||||
|
TF-800×*L- |
800 |
TFX-800×* |
||||||
|
TF-1000×*L- |
1000 |
TFX-1000×* |
||||||
|
TF-1300×*L- |
1300 |
TFX-1300×* |
||||||
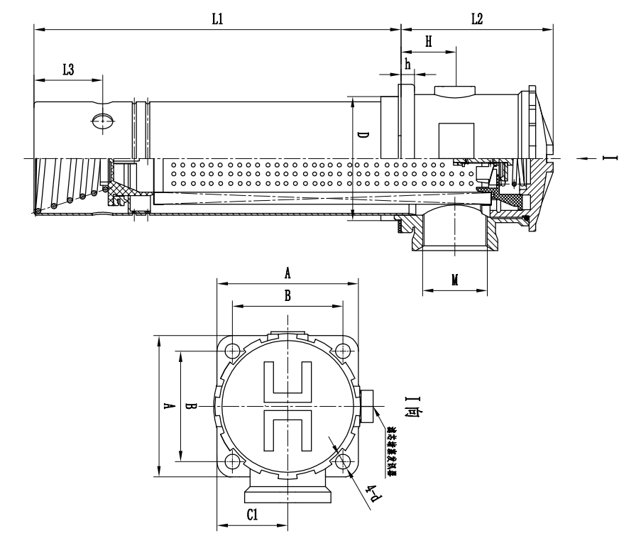
五、連接尺寸
表一:TF-25 ~160螺紋式(出油口螺紋連接)
|
型號 |
尺寸(mm) |
|
|||||||||
|
|
L1 |
L2 |
L3 |
H |
M |
D |
A |
B |
C1 |
h |
d |
|
TF-25×*L- |
93 |
78 |
36 |
25 |
M22×1.5 |
Ф62 |
80 |
60 |
45 |
9.5 |
Ф9 |
|
TF-40×*L- |
110 |
|
|
|
M27×2 |
|
91 |
70.7 |
54 |
|
|
|
TF-63×*L- |
138 |
98 |
40 |
33 |
M33×2 |
Ф75 |
|
|
|
10 |
|
|
TF-100×*L- |
188 |
|
|
|
M42×2 |
|
|
|
|
|
|
|
TF-160×*L- |
200 |
119 |
53 |
42 |
M48×2 |
Ф91 |
105 |
81.3 |
62 |
12 |
Ф11 |
|
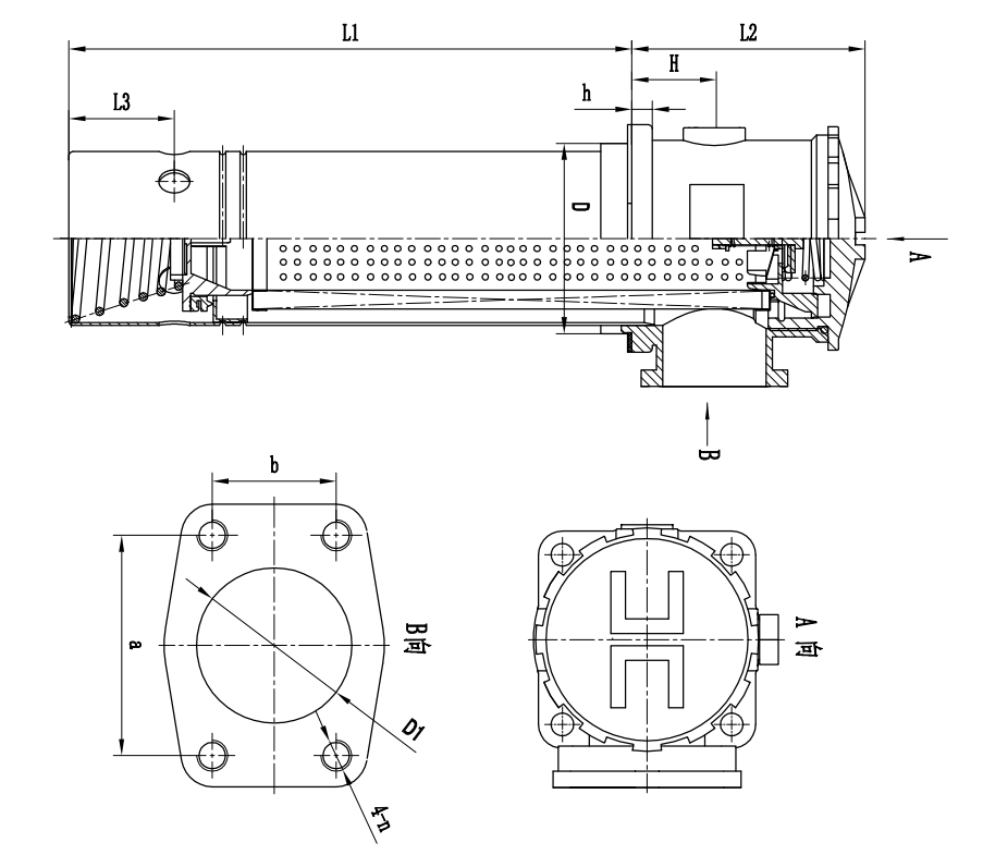
型號 |
尺寸(mm) |
|||||||||||||
|
L1 |
L2 |
L3 |
H |
D1 |
D |
a |
b |
n |
A |
B |
C1 |
h |
d |
|
|
TF-250×*F- |
270 |
120 |
53 |
42 |
Ф50 |
Ф91 |
70 |
40 |
M10 |
106 |
81.3 |
72.5 |
10.5 |
Ф11 |
|
TF-400×*F- |
275 |
141 |
60 |
50 |
Ф65 |
Ф110 |
90 |
50 |
125 |
95.5 |
82.5 |
12 |
||
|
TF-630×*F- |
325 |
184
|
54 |
65 |
Ф90 |
Ф140 |
120 |
70 |
160 |
130 |
101 |
15.5 |
||
|
TF-800×*F- |
385 |
|||||||||||||
|
TF-1000×*F- |
485 |
|||||||||||||
|
TF-1300×*F- |
680 |
|||||||||||||
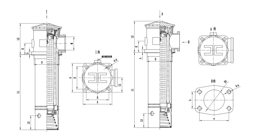
|
型號 |
尺寸(mm) |
||||||||||||||
|
B1 |
L |
L1 |
h |
D1 |
H |
D |
d |
M |
B |
M1 |
t1 |
m |
t3 |
DN |
|
|
RF-60×*L- |
90 |
166 |
92 |
11 |
φ80 |
34 |
φ100 |
φ5.5 |
M27×2 |
48 |
M27×2 |
16 |
|
|
|
|
RF-110×*L- |
233 |
159 |
M33×2 |
M33×2 |
|
|
|
||||||||
|
RF-160×*L- |
120 |
209 |
120 |
11 |
φ106 |
40 |
φ135 |
φ7 |
M48×2 |
66 |
M48×2 |
20 |
|
|
|
|
RF-240×*L- |
268 |
179 |
M48×2 |
M48×2 |
|
|
|
||||||||
|
RF-330×*L- |
152 |
271 |
138 |
13 |
φ135 |
63 |
φ170 |
φ9 |
M60×2 |
85 |
M60×2 |
27 |
|
|
|
|
RF-330×*F- |
|
M60×2 |
M12 |
23 |
φ50 |
||||||||||
|
RF-500×*F- |
351 |
218 |
|
|
|||||||||||
|
RF-660×*F- |
|
411 |
243 |
13 |
φ175 |
83 |
φ220 |
φ13.5 |
|
110 |
|
|
M16 |
22 |
φ80 |
|
RF-850×*F- |
492 |
324 |
|
|
|
|
|||||||||
|
RF-950×*F- |
|
449 |
251 |
14 |
φ208 |
93 |
φ290 |
φ17.5 |
|
135 |
|
|
22 |
φ90 |
|
|
RF-1300×*F- |
573 |
332 |
121 |
|
145 |
|
|
|
φ100 |
||||||



本文網址:http://m.bldg-materials.cn/chanpin/gongcheng/yeyaguolv/181.html
關鍵詞:
上一篇:RF系列直回式回油過濾器
下一篇:高壓過濾器PHA系列